Moltiplicatore di pressione dinamico in sistemi idraulici

Moltiplicatori di pressione dinamici in sistemi idraulici, una soluzione spesso trascurata

Nei principali Paesi industrializzati principali, denaro, spazio e peso possano essere risparmiati incorporando moltiplicatori di pressione nei sistemi idraulici. La miniBOOSTER Hydraulics A/S si è specializzata nella produzione dei moltiplicatori idraulici di pressione miniBOOSTER. Circa il 95% della produzione è diretta verso mercati esteri, dove il moltiplicatore di pressione è utilizzato in molti tipi differenti di macchine e sistemi. Ogni moltiplicatore idraulico viene accuratamente testato prima di lasciare lo stabilimento miniBOOSTER in Danimarca.

Alta pressione

Nei sistemi idraulici, è spesso necessario utilizzare pressioni di esercizio variabili. Un sistema che funziona perfettamente con un elevato grado di efficienza è il moltiplicatore con cui è possibile adattare con precisione la pressione rispetto al carico necessario.
Spesso si vedono sistemi nei quali la maggior parte dell'olio della centralina passa attraverso una valvola limitatrice di pressione che è tarata ad una pressione elevata senza che ve ne sia necessità. Questo perchè, per un breve tempo, è necessaria una pressione elevata nel ciclo del macchinario in questione. Il grado di efficienza di tale sistema è molto ridotto, ed i componenti integrati sono soggetti ad un elevato livello di usura poichè la perdita di pressione crea un'elevata usura tra le parti in movimento.
Per superare questo problema, un sistema è spesso costituito da diverse pompe che sono collegate in modo che il flusso volumetrico inviato dipenda dalla pressione di esercizio occorrente. In un sistema di grandi dimensioni, la pompa può essere a portata variabile, ed il suo regolatore è allora capace di lavorare a diversi livelli di pressione.
Tuttavia, in molti macchinari, l'alta pressione è unicamente richiesta per un intervallo di tempo molto ridotto rispetto alla durata del tempo ciclo della macchina.
Ad esempio, questa è la situazione che si verifica in operazioni di compressione. In questi macchinari, gran parte dell'energia è utilizzata per muovere utensili, piastre di stampi o slitte di presse e solo una piccola parte per l'operazione di compressione in se’, poiché questa operazione non include alcun movimento, ma solo la compressione dell'olio nel cilindro.

Il moltiplicatore di pressione idraulico offre diversi vantaggi

Utilizzando moltiplicatori di pressione, i progettisti hanno una maggiore flessibilità per quanto riguarda la scelta della pressione di esercizio. Il carico idraulico diventa più uniforme durante il ciclo macchina. Il moltiplicatore di pressione inizia a lavorare solo quando è necessaria l'alta pressione, il resto del tempo è passivo: non c'è alcun consumo interno e perciò non vengono influenzate le prestazioni del sistema.

L'utilizzo del moltiplicatore di pressione offre un gran numero di vantaggi rispetto ai sistemi tradizionali ad alta pressione

  • Prestazioni più elevate e durata maggiore in utilizzi con pressione di esercizio più ridotta
  • Sistema più compatto
  • Sicurezza maggiore grazie all'uso, in gran parte dell'impianto, di una pressione più bassa
  • Valvole integrate
  • Nessuna guarnizione dinamica
  • Rapporto di moltiplicazione adattato alle richieste.

Come funziona il moltiplicatore di pressione

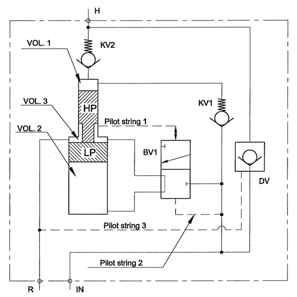
Schema idraulico di un moltiplicatore di pressioneLa Figura 1 mostra uno schema idraulico di principio di un moltiplicatore di pressione. Tutti i moltiplicatori di pressione prodotti dalla MiniBooster sono di tipo oscillante: aumentano la pressione idraulica in ingresso ad un valore più elevato in uscita.
Quando l'olio arriva al moltiplicatore, questo automaticamente inizia a funzionare per aumentare la pressione fino al livello richiesto, al raggiungimento della pressione richiesta, il moltiplicatore si arresta e si attiva unicamente per mantanere la pressione finale, per es. per compensare il consumo d'olio o eventuali trafilamenti.
Il moltiplicatore di pressione lavora secondo un sistema brevettato.
L'olio viene inviato al raccordo IN e passa attraverso le valvole di ritegno KV1 e KV2 e DV (opzionale) al lato H ad alta pressione Allo stesso istante, il raccordo R viene collegato al serbatoio. Ora tutta la portata della pompa passa direttamente attraverso il miniBOOSTER ed un cilindro su lato H ad alta pressione si estende rapidamente. Quando la pressione aumenta sul alto ad alta pressione, le valvole KV2 e DV si chiudono, e l'olio riempie il Vol. 1. In fig. 1, il Vol. 2 viene collegato attraverso alla valvola bistabile BV1 al Vo. 3, che è a sua volta collegato al serbatoio. L'incremento di pressione in Vol. 1, fa sì che i pistoni HP ed LP si muovano verso il basso.
Quando il pistone ad alta pressione HP passa sulla linea di pilotaggio 1 (string 1), questa va in pressione, e BV1 cambia posizione. Questo accade perchè l'area sopra BV1 è maggiore dell'area al di sotto, dove la linea pilota 2 (string 2) è costantemente in pressione. Vol. 2 è perciò collegato alla pompa, ed i pistoni LP ed HP si muovono verso l'alto poichè l'area sotto LP è maggiore che l'area sopra HP. L'olio nel Vol. 1 viene inviato al lato ad alta pressione. Quando il lato opposto di HP supera la linea pilota 1 (come mostrato in Fig. 1), quest'ultima è depressurizzata, e BV1 ritorna alla sua posizione iniziale. Questo continua finchè la pressione del lato ad alta pressione aumenta di un fattore equivalente al rapporto fra le aree di LP e di HP. Se la pressione sul lato ad alta pressione cade, automaticamente parte un nuovo ciclo.
La pressione può essere scaricata dal lato ad alta pressione inviando la portata della pompa al raccordo R e collegando il raccordo IN al serbatoio. La linea pilota 3 viene pertanto pressurizzata e la valvola DV si apre. L'olio da lato ad alta pressione viene ora inviato direttamente al serbatoio attraverso alla DV ed al raccordo IN.
Diagramma pressione/portataLa Figura 2 mostra una tipica situazione della relazione fra la pressione e la portata d'olio al raccordo H, quando la pressione al raccordo IN può essere al massimo di 150 bar ed il carico sul raccordo ad alta pressione va da 0 a 480 bar. Il moltiplicatore di pressione nell'esempio ha un rapporto di moltiplicazione di 1:3,2.

Utilizzo del moltiplicatore di pressione

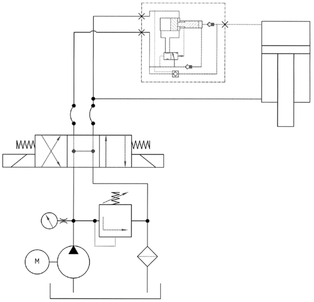
Schema idraulico comprendente un miniBoosterIn linea di principio, il moltiplicatore di pressione può essere utilizzato dove ci sia la necessità di una elevata pressione in un certo istante. In generale, il sistema sarà come mostrato in Figura 3, nel quale un cilindro è comandato da un normale distributore 4/3. Il moltiplicatore di pressione è montato direttamente sul cilindro, e la costosa linea in alta pressione è ridotta al minimo. Nell'esempio, il moltiplicatore di pressione è accoppiato ad una valvola di ritegno pilotata integrata.
Se il cilindro deve muoversi in estensione ad una velocità più elevata di quanto permetta il volume d'olio che passa attraverso il moltiplicatore, la valvola di ritegno pilotata integrata può essere rimpiazzata da una valvola esterna.
In sistemi nei quali la pompa è dimensionata non solo per azionare un unico cilindro, come mostrato in Figura 3, ma deve alimentare anche altri utilizzi, la portata fornita può aumentare la frequenza di funzionamento del moltiplicatore ad un livello al quale la sua durata può risultare ridotta. In tali sistemi, sarebbe una buona idea inserire una valvola regolatrice di portata a monte del moltiplicatore di pressione.
Un settore applicativo particolarmente adatto al moltiplicatore di pressione è in sistemi già esistenti, dove sia necessaria una pressione più elevata di quella consentita dal progetto originale. I costi per aggiornare questo sistema al fine di raggiungere una pressione più elevata sono generalmente molto elevati e procurano un sacco di problemi. Con il moltiplicatore di pressione, un sistema esistente può essere aggiornato alla pressione di esercizio maggiore con la semplice aggiunta di un moltiplicatore. Naturalmente, deve essere disponibile la portata necessaria.

Esempi d’impiego

Da quando il moltiplicatore di pressione è entrato a far parte dei prodotti esistenti sul mercato, è stato utilizzato in un gran numero di sistemi. L’elenco qui sotto dà un'idea della sua versatilità e mostra i settori applicativi tipici:

  • Attrezzature idrauliche di bloccaggio
  • Dispositivi di manutenzione per ferrovie
  • Macchine per iniezione plastica: bloccaggio di parti dello stampo, azionatori anime
  • Utensili idraulici di vari tipi, per esempio: utensili per taglio, divaricatori e di bloccaggio
  • Chiavi torsiometriche, rompi bulloni, ecc.
  • Giunti rotanti per torni
  • Banchi prova fino a 5000 bar
  • Rotatori di forche su camion
  • Demolitori per cemento
  • Offshore: pannelli controllo sala pompe (WCW, MCW, SSSV)
  • Utensili idraulici su ROV (Veicoli comandati a distanza)
  • Centraline
  • Presse per filtri

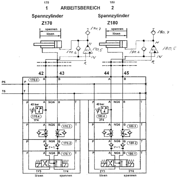
Schema idraulico di esempio della Fanfoss A/SLa Fig. 4 mostra uno schema attrezzatura della Danfoss A/S di un attrezzo di bloccaggio su una macchina di lavorazione STAMA. 2 miniBOOSTER con rapporto di moltiplicazione 4:1 sono montati direttamente sull'attrezzo uno per ciascuna delle piastre di bloccaggio. Con la pressione idraulica di 40 bar del sistema esistente, si raggiunge sull'attrezzatura di bloccaggio una pressione di 160 bar. Figura 5 mostra la struttura attuale del sistema.Attrezzatura di bloccaggio con moltiplicatore su macchina utensile

Ampia gamma

La MiniBOOSTER Hydraulics A/S offre un'ampia gamma di moltiplicatori di pressione idraulici, che sono oggi utilizzati in tutto il mondo in molte applicazioni differenti. La Figura 6 mostra la gamma di prodotto, mentre l'elenco di seguito mostra le caratteristiche principali dei singoli moltplicatori di pressione.

Tipologie e caratteristiche specifiche

HC1 Il più compatto miniBOOSTER con peso e dimensioni ridotte
HC2 MiniBOOSTER standard per molte applicazioni di trattenuta e bloccaggio.
HC3 Versione del miniBOOSTER HC2 per integrazione con valvole NG6.
HC4 Portata uscente fino a 5 l/min per applicazioni dove la maggior parte del flusso è richiesto in alta pressione.
HC5 Doppio miniBOOSTER con 2 uscite in alta pressione.
HC6 Portata uscente fino a 11 l/min per applicazioni dove la maggior parte del flusso è richiesto in alta pressione.
HC8 Versione HC2 del miniBOOSTER sviluppata per pressioni di uscita fino a 2000 bar. (3000 bar a richiesta)

Gamma dei moltiplicatori di pressione miniBoosterTutte pressioni fino a 2000 bar (pressioni più elevate a richiesta) possono essere raggiunte a partire da centraline in bassa pressione, per esempio il sistema idraulico di una macchina di lavorazione o di un veicolo.
Il miniBOOSTER è disponibile fino a 11 diversi rapporti di moltiplicazione.
La struttura compatta del miniBOOSTERTM fa sì che possa essere installato esattamente dove l'alta pressione è richiesta. Richiede un minimo di spazio ed è semplice da integrare sia in sistemi già esistenti che in nuovi impianti.
Una pressione più bassa del sistema significa un consumo di energia ridotto e perciò un costo di produzione più basso.

Successo internazionale e nuovo nome

Il successo raggiunto sul mercato mondiale ha richiesto all’azienda il cambiamento del nome preesistente: ecco il perchè del passaggio dal nome Iversen Hydraulics ApS ad un nome dal suono più "internazionale", miniBOOSTER Hydraulics A/S.
Guardando le referenze della miniBOOSTER Hydraulics A/S, di cui fanno parte tutti i più importanti costruttori di veicoli e produttori di macchine utensili nel modo, è facile capire le ragioni che hanno portato al cambiamento del nome precedente.

Edizione 03/2009

Potrebbe interessarti:

keyboard_arrow_up