I cilindri di bloccaggio con irrigidimento inverso, anche definiti cilindri con pistone autobloccante, esercitano una forza di bloccaggio relativamente bassa. Al tempo stesso forniscono un’elevata forza di supporto (irrigidimento) nella direzione opposta. Sono particolarmente adatti per il bloccaggio di pezzi a parete sottile che ammettono una deformazione minima, nonché per il bloccaggio flottante. L’applicazione della pressione del fluido fa avanzare il pistone, che contemporaneamente si espande come accade in un irrigiditore tradizionale, per poi bloccarsi all’interno del corpo del cilindro.

Si considerino le forze coinvolte nel caso di staffaggi convenzionali o di cilindri con pistone autobloccante:
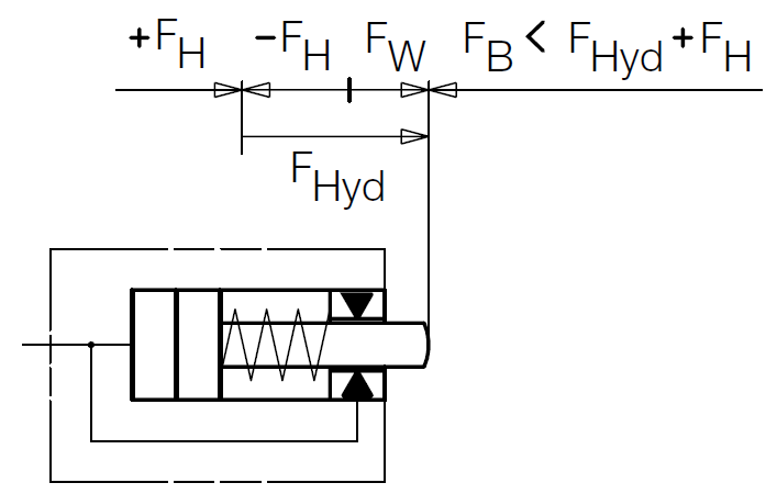
FHyd = Forza di bloccaggio idraulica (Area pistone x pressione idraulica)
FB = Forza che si oppone alla forza di bloccaggio (ad esempio le forze di lavorazione)
FW = Forza di bloccaggio effettiva (FHyd – FH)
FH = Forza di ritenuta, risultante dal bloccaggio/irrigidimento del cilindro
Staffaggi convenzionali

Se su un cilindro di serraggio standard agisce una forza FB superiore alla forza di serraggio idraulica FHyd, il pistone viene spinto indietro a causa della comprimibilità del fluido idraulico. In questi casi è necessario aumentare la pressione di esercizio o utilizzare un cilindro di serraggio più grande o irrigiditori antivibranti aggiuntivi.





